Bit packing
![]() |
![]() |
| Vector | C | |
| in the palette | on the schematic |
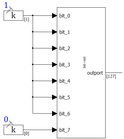
The block converts a number in binary form of the specified digit capacity into a decimal integer. For example:
01111111 → 127

In bit numbering, the higher bits have a higher sequence number.
Ports
The number of input scalar or vector ports is set in the block properties. The block is vectorized. The dimensions of all input ports shall be the same. The output port is one with scalar or vector integer signal. The dimension of the output signal is equal to the dimension of the input signals.
Properties
- bit_nums - numbers of bits to be recorded - specifies the number of input ports and the order of bits in the number.
Parameters
none

