Planetary gearbox





| C |
in the palette on the schematic
The block is designed to simulate a planetary gearbox having a constant gear ratio and constant efficiency. The kinematic diagram of the gearbox is shown in the figure (Figure 1).


Figure 1. Kinematic diagram of the planetary gearbox
The gearbox consists of:
  • Ring gear R with the number of teeth ZR
  • Sun gear S with the number of teeth ZS
  • Planet gear P with the number of teeth ZP
  • Carrier C
The block is described by the following kinematic relation:

where:
  • ωS – angular speed of the sun gear, rad/s
  • ωC – angular speed of the carrier, rad/s
  • ωR – angular speed of the ring gear, rad/s

To meet the requirement of the kinematic ratio, the block solves the coupling equation. A detailed description of the approach for the the gear (speed) ratios simulation is given on the page Simulating transmission. A detailed description of the approach for simulation losses in the gearing is given on the page Gearbox efficiency simulation.

The gear ratio of the gearbox from the sun S to the carrier CUSC with the fixed ring gear R is determined by the formula:

The gear ratio of the gearbox from the ring gear R to the carrier CURC with the fixed sun gear S is determined by the formula:

The number of teeth of the planet gears ZP and the number of planet gears NP are taken into account only when checking the so-called conditions of the "assembly" of the gearbox and the conditions of the "neighborhood" of the planet gears.

The block allows you to calculate automatically the number of teeth in the gearbox elements according to a given gear ratio. When calculating the number of teeth automatically, a number of block properties go to "Read-only" mode and display the calculated number of teeth.

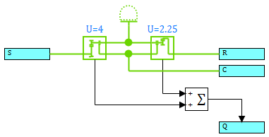
A block is a submodel that includes blocks (Figure 2):


Figure 2. Model of the planetary gearbox

Next to the block, the gear ratio of the gearbox from the sun gear S to the carrier CUSC is displayed.

Inputs

Name Description Connection line type
S Port for connecting the sun gear shaft Rotary mechanics
R Port for connecting the ring gear Rotary mechanics
C Port for connecting the carrier (carrier) Rotary mechanics

Outputs

Name Description Connection line type
Q Power losses due to bearing friction and gear meshing (efficiency) Mathematical

Properties

Title Parameter Description By default Data type
Kinematics A group of properties that set the kinematic parameters of motion
Calculate the number of teeth automatically AutoCalcZ Allows you to calculate the number of teeth automatically None Двоичное
Gear ratio (Ws/Wc > 2) U Gear ratio. The property is available when the "Calculate the number of teeth automatically" property is activated 10 Вещественное
Minimum allowable number of teeth Z_min The minimum number of sun gear and planet gear teeth used when calculating the number of teeth. The property is available when the "Calculate the number of teeth automatically" property is activated 20 Целое
Number of ring gear teeth Zr Number of ring gear teeth. The property is available when the "Calculate the number of teeth automatically" property is disabled, otherwise it switches to "Read-only" mode and displays the calculated number of ring gear teeth 180 Целое
Number of sun gear teeth Zs Number of sun gear teeth. The property is available when the "Calculate the number of teeth automatically" property is disabled, otherwise it switches to "Read-only" mode and displays the calculated number of sun gear teeth 20 Целое
Number of planet gears teeth Zp Number of planet gears teeth. The property is available when the "Calculate the number of teeth automatically" property is disabled, otherwise it switches to "Read-only" mode and displays the calculated number of planet gears teeth 80 Целое
Number of planet gears Np Number of planet gears. The property is available when the "Calculate the number of teeth automatically" property is disabled, otherwise it switches to "Read-only" mode and displays the calculated number of planet gears 3 Целое
Show warnings on assembly and neighborhood condition ThrowWarnings Allows you to show warnings on assembly and neighborhood condition Yes Двоичное
Gear ratio Ws/Wc Usc The gear ratio of the gearbox from the sun gear S to the carrier C. The property is displayed in the "read-only" mode and is for reference only 10 Вещественное
Gear ratio Wr/Wc Urc The gear ratio of the gearbox from the ring gear R to the carrier C. The property is displayed in the "read-only" mode and is for reference only 1.111 Вещественное
Losses A group of properties that define loss parameters
Power threshold, W Q_th The value of the power transmitted through the block, below which the efficiency is increased to achieve the stability of the numerical solution 0.1 Вещественное
Sun/Planet pair efficiency Nu_sp Sun/Planet pair efficiency 1 Вещественное
Ring/Planet pair efficiency Nu_rp Ring/Planet pair efficiency 1 Вещественное
Coefficient of the carrier bearing friction, Nm·s/rad B_C Coefficient of the carrier bearing friction 0 Вещественное
Coefficient of the ring gear bearing friction, Nm·s/rad B_R Coefficient of the ring gear bearing friction 0 Вещественное
Coefficient of the sun gear bearing friction, Nm·s/rad B_S Coefficient of the sun gear bearing friction 0 Вещественное
Coefficient of the planet gear bearing friction, Nm·s/rad B_P Coefficient of the planet gear bearing friction 0 Вещественное
Time constant for solving the nonlinear algebraic equation, s Tau The time constant for solving the nonlinear algebraic equation. Used in blocks Planetary gear Sun-Planet and Planetary gear Ring-Planet to solve the coupling equation 0.1 Вещественное

Parameters

Name Parameter Description Data type
Power losses, W Q Power losses due to bearing friction and gear meshing (efficiency) Вещественное
Sun gear A group of parameters displaying the parameters of the sun gear
Angular speed, rad/s Ws Angular speed value at the port "S" Вещественное
Torque, Nm Ts Torque transmitted from the gearbox to the connected blocks Вещественное
Power, W Qs Power transmitted from the gearbox to the connected blocks. A negative value means that the sun gear is the driving element of the gearbox Вещественное
Carrier A group of parameters displaying the parameters of the carrier
Angular speed, rad/s Wc Angular speed value at the port "C" Вещественное
Torque, Nm Tc Torque transmitted from the gearbox to the connected blocks Вещественное
Power, W Qc Power transmitted from the gearbox to the connected blocks. A negative value means that the carrier is the driving element of the gearbox Вещественное
Ring gear A group of parameters displaying the parameters of the ring gear
Angular speed, rad/s Wr Angular speed value at the port "R" Вещественное
Torque, Nm Tr Torque transmitted from the gearbox to the connected blocks Вещественное
Power, W Qr Power transmitted from the gearbox to the connected blocks. A negative value means that the ring gear is the driving element of the gearbox Вещественное

Examples

Examples of block application: