Ravigneaux planetary gearbox
![]() |
![]() |
| C | |
| in the palette | on the schematic |
The block is designed to simulate the Ravigneaux planetary gearbox having a constant gear ratio and constant efficiency. The gearbox features two sets of gear meshing of "Sun-Planet" type and one set of "Planet-Planet" type of meshing. The kinematic diagram of the gearbox is shown in the figure (Figure 1).

Figure 1. Kinematic diagram of the Ravigneaux planetary gearbox

The gearbox consists of:
- Ring gear R with the number of teeth ZR
- Large and small sun gears SL and SS with tooth number ZSL and ZSS
- Planet gears PL meshed with the large sun gear having ZPL teeth
- Internal and external planet gears ZIS and ZES of the small sun gear with tooth numbers ZPIS and ZPES
- Carrier C
The block is described by the following kinematic relations:


where:
- ωSS – angular speed of the small sun gear, rad/s
- ωSL – angular speed of the large sun gear, rad/s
- ωC – angular speed of the carrier, rad/s
- ωR – angular speed of the ring gear, rad/s
To meet the requirement of the kinematic ratio, the block solves the coupling equation. A detailed description of the approach for the the gear (speed) ratios simulation is given on the page Simulating transmission. A detailed description of the approach for simulation losses in the gearing is given on the page Gearbox efficiency simulation.
The gearbox can have different gear ratios depending on its fixed element and what elements are used as the driving and driven shafts.
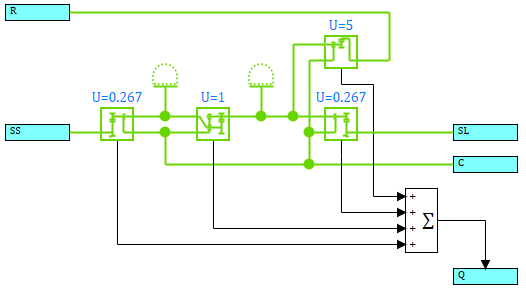
A block is a submodel that includes blocks (Figure 2):

Figure 2. Model of Ravigneaux planetary gearbox
- The blocks Inertia-free rotary element simulate the rotation of zero inertia planet gears
- The blocks Planetary gear Sun-Planet, Planetary gear Planet-Planet and Planetary gear Ring-Planet simulate the gear meshing of the gearbox

Inputs
| Name | Description | Connection line type |
|---|---|---|
| SS | Port for connecting the small sun gear shaft | Rotary mechanics |
| SL | Port for connecting the large sun gear shaft | Rotary mechanics |
| R | Port for connecting the ring gear | Rotary mechanics |
| C | Port for connecting the carrier (carrier) | Rotary mechanics |
Outputs
| Name | Description | Connection line type |
|---|---|---|
| Q | Power losses due to bearing friction and gear meshing (efficiency) | Mathematical |
Properties
| Title | Parameter | Description | By default | Data type |
|---|---|---|---|---|
| Kinematics | A group of properties that set the kinematic parameters of motion | |||
| Number of ring gear teeth | Zr | Number of ring gear teeth | 100 | Целое |
| Number of teeth of the small planet gear | Zss | Number of teeth of the small planet gear | 75 | Целое |
| Number of teeth of the large planet gear | Zsl | Number of teeth of the large planet gear | 75 | Целое |
| Number of teeth of the internal planet gears meshed with the small planet gear | Zpis | Number of teeth of the internal planet gears meshed with the small planet gear | 20 | Целое |
| Number of teeth of the external planet gears meshed with the small planet gear | Zpes | Number of teeth of the external planet gears meshed with the small planet gear | 20 | Целое |
| Number of teeth of the planet gears meshed with the large planet gear | Zpl | Number of teeth of the planet gears meshed with the large planet gear | 20 | Целое |
| Losses | A group of properties that define loss parameters | |||
| Power threshold, W | Q_th | The value of the power transmitted through the block, below which the efficiency is increased to achieve the stability of the numerical solution | 0.1 | Вещественное |
| Small sun/Planet pair efficiency | Nu_ssp | Small sun/Planet pair efficiency | 1 | Вещественное |
| Large sun/Planet pair efficiency | Nu_slp | Large sun/Planet pair efficiency | 1 | Вещественное |
| Planet/Planet pair efficiency | Nu_pp | Planet/Planet pair efficiency | 1 | Вещественное |
| Ring/Planet pair efficiency | Nu_rp | Ring/Planet pair efficiency | 1 | Вещественное |
| Coefficient of the carrier bearing friction, Nm·s/rad | B_C | Coefficient of the carrier bearing friction | 0 | Вещественное |
| Coefficient of the ring gear bearing friction, Nm·s/rad | B_R | Coefficient of the ring gear bearing friction | 0 | Вещественное |
| Coefficient of the small sun gear bearing friction, Nm·s/rad | B_Ss | Coefficient of the small sun gear bearing friction | 0 | Вещественное |
| Coefficient of the large sun gear bearing friction, Nm·s/rad | B_Sl | Coefficient of the large sun gear bearing friction | 0 | Вещественное |
| Coefficient of the bearing friction in the planet gears, Nm·s/rad | B_P | Coefficient of the bearing friction in the planet gears | 0 | Вещественное |
| Time constant for solving the nonlinear algebraic equation, s | Tau | The time constant for solving the nonlinear algebraic equation. Used in blocksPlanetary gear Sun-Planet, Planetary gear Planet-Planet and Planetary gear Ring-Planet to solve the coupling equation | 0.1 | Вещественное |
Parameters
| Name | Parameter | Description | Data type |
|---|---|---|---|
| Power losses, W | Q | Power losses due to bearing friction and gear meshing (efficiency) | Вещественное |
| Small sun gear | A group of parameters displaying the parameters of the small sun gear | ||
| Angular speed, rad/s | Wss | Angular speed value at the port "SS" | Вещественное |
| Torque, Nm | Tss | Torque transmitted from the gearbox to the connected blocks | Вещественное |
| Power, W | Qss | Power transmitted from the gearbox to the connected blocks. A negative value means that the small sun gear is the driving element of the gearbox | Вещественное |
| Large sun gear | A group of parameters displaying the parameters of the large sun gear | ||
| Angular speed, rad/s | Wsl | Angular speed value at the port "SL" | Вещественное |
| Torque, Nm | Tsl | Torque transmitted from the gearbox to the connected blocks | Вещественное |
| Power, W | Qsl | Power transmitted from the gearbox to the connected blocks. A negative value means that the large sun gear is the driving element of the gearbox | Вещественное |
| Carrier | A group of parameters displaying the parameters of the carrier | ||
| Angular speed, rad/s | Wc | Angular speed value at the port "C" | Вещественное |
| Torque, Nm | Tc | Torque transmitted from the gearbox to the connected blocks | Вещественное |
| Power, W | Qc | Power transmitted from the gearbox to the connected blocks. A negative value means that the carrier is the driving element of the gearbox | Вещественное |
| Ring gear | A group of parameters displaying the parameters of the ring gear | ||
| Angular speed, rad/s | Wr | Angular speed value at the port "R" | Вещественное |
| Torque, Nm | Tr | Torque transmitted from the gearbox to the connected blocks | Вещественное |
| Power, W | Qr | Power transmitted from the gearbox to the connected blocks. A negative value means that the ring gear is the driving element of the gearbox | Вещественное |
Examples
Examples of block application:

