Normally opened controlled key type 2





| Vector | C |
in the palette on the schematic
The block is vectorized and implements the controlled key function according to the algorithm:

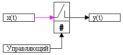
where x(t) is the input signal of the block (or signal vector), y(t) is the output signal of the block (or signal vector). The control signal enters the unit from above. During the calculation process the block image changes depending on the presence of the control signal: in normal position the key is open, i.e. when the control signal is applied the key is closed:


Figure 1. Control signal = 0


Figure 2. Control signal = 1

Inputs

  • Control - switching control signal;
  • x(t) - block input signal, x.

Outputs

  • y(t) - output signal, y.

Properties

none

Parameters

none

Note:
  1. By default, the block generates a scalar output signal.
  2. Since the key algorithm (in the submodel) is implemented using the Multiplier block, when a control signal other than 1 is applied, the output of the block will have signal equal to the product of x(t) multiplication by the value of the control signal.