Deadband (variable)
![]() |
![]() |
| Vector | C | |
| in the palette | on the schematic |
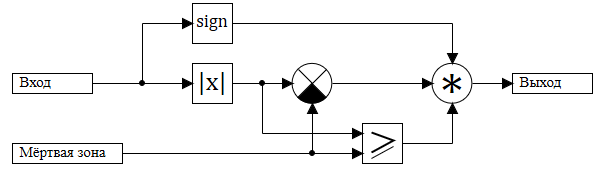
The block implements a linear link algorithm with a gain factor of 1 and a deadband that varies depending on the input signal on the second input port. The block is a submodel. To view the structure of the algorithm, right-click Actions → Enter to the submodel:


Inputs
- Input — input signal of the block;
- Deadband — the value of the "deadband". If the absolute value input is less than the deadband, the block output is 0.
Outputs
- Output is equal to 0 if the absolute value of the input signal is less than the deadband. Otherwise, the output is equal to the difference between the input signal and the value of the deadband multiplied by the sign of the input signal.
Properties
none
Parameters
none

